TOYOTA RAV4 III CZUJNIK PARKOWANIA PDC 1E0 - TO...
Штатные парктроники TOYOTA RAV 4 (задние датчик...
Парктроник Toyota RAV4 в Украине в категории "А...
Датчик парковки рав 4 (4) задний №1 - YouTube
Датчик парковки (парктроник) Toyota Rav4 50 | F...
Датчик парктрковки Toyota Rav 4 Вся Россия | Ав...
Датчик тиску повітря в шинах Toyota RAV4 2012-2...
Новый датчик парковки Toyota Camry 70 RAV 4 XA5...
Датчик парковки Тойота Рав4 Бмв f20 BMW f10 | F...
Датчик парковки на RAV 4 . — Toyota RAV4 Hybrid...
Датчик парковки парктроник Toyota Camry 70 RAV ...
Датчик парктроника на Toyota RAV 4 I (A1) (Тойо...
Тойота рав 4 обозначения на приборке
Датчик парковки для Toyota RAV 4 2013-2019 новы...
Установка парктроников Toyota RAV 4, фото работ
Датчик парковки Парктроник Toyota Mazda Yaris v...
Датчик парковки для Toyota RAV 4 2013-2019 в Мо...
Датчики давления в шинах для рав4
Купить датчик удара б/у на Тойота РАВ4 5, 4, 3,...
Датчик тиску в шинах Toyota RAV4 – AvtoTachki
Парктроник для рав 4 своими руками
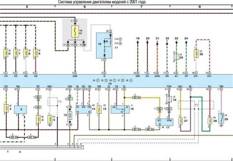
Схема тойоты рав 4 датчик
Датчики шин тойота рав 4 2020
Парктроники! — Toyota RAV4 (IV), 2,5 л, 2019 го...
Тойота Рав 4 Датчик дождя Вся Россия | Автозапч...
Датчик парковки / Сонар на Toyota Camry (XV70),...
Датчик ДПДЗ Тойота Рав-4 1 XA купить в Украине ...
Датчик света тойота рав 4 2020 где находится